Дымосос ДН-9-11,0/1000 в Нальчике

Цена:
140 000 руб.
Количество:
Отправляя свои личные данные через формы на сайте, Вы даёте своё согласие на обработку персональных данных согласно Федеральному закону №152-ФЗ «О персональных данных» от 27.07.2006 г. в редакции от 01.07.2017.

Описание дымососа

Дымосос ДН-9-11,0/1000 — тягодутьевая машина предназначенная для удаления дымовых газов после сгорания топлива в топках паровых и водогрейных котлах. Центробежные дымососы ДН-9 могут использоваться не только для котельных установок, но и для ряда промышленного оборудования, где необходимо обеспечение подачи приточной тяги или очистки воздуха. Предельно допустимая температура рабочего потока (приточный воздух или дымовой газ) составляет 200 °C.

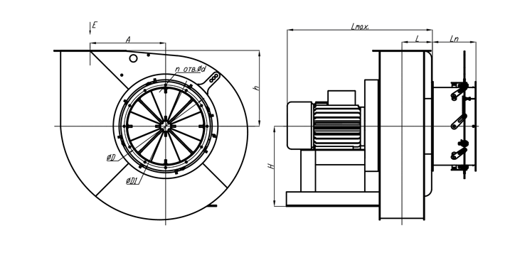
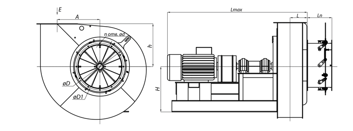
Конструкция дымососа ДН-9 с электродвигателем мощностью 11 кВт и частотой вращения 1000 об/мин проста и надежна. Промышленный дымосос состоит из несущего каркаса — сварная рама из стального профилированного проката, и металлического кожуха типа «улитка». На раме расположен электродвигатель, соединенный с рабочим колесом, посаженным на вал двигателя либо ходовую часть привода, что потребует более мощный привод. Рабочее колесо имеет 16 лопаток загнутые назад. Дымососы одностороннего всасывания изготавливаются правого и левого направления вращения.

Установка дымососа ДН-9-11,0/1000 осуществляется на подготовленное основание в помещении или на открытом воздухе методом анкерного соединения. Монтаж основания к установочной плоскости выполняется через виброгасящие прокладки. При проведении монтажных работ поворотный корпус улитки обеспечивает выбор нужного угла стыковки. Производительность — 9500 м³/ч. Полное давление — 1225 Па. Дымососы ДН рассчитаны на непрерывный режим работы в условиях умеренного климата У, категории размещения 1, 2, 3 и 4 по ГОСТ 15150-69. Котельный дымосос ДН-9-1000 эксплуатируется в температурных условиях от -30 до +40 °C.

Для повышения срока службы и эффективности работы дымососа рекомендуется установка всасывающего кармана и проводить техническое обслуживание (ТО), периодичность которого регламентируется технической документацией на оборудование.

Более подробную информацию Вы можете получить у наших специалистов. Чтобы приобрести котельный центробежный дымосос ДН-9 с электродвигателем мощностью 11 кВт и частотой вращения 1000 об/мин, достаточно позвонить нам либо оставить заявку и мы обязательно с Вами свяжемся.

Характеристики
Тип дымососа: Центробежный
По назначению: Промышленный
По назначению: Дутьевой (тягодутьевой)
Серия: ДН
Диаметр рабочего колеса: 9 дм
По количеству входов: Одностороннего всасывания
Направление вращения: Левое
Направление вращения: Правое
Число лопаток: 16 шт
Положение лопаток: Загнутые назад
Схема исполнения: 1
Схема исполнения: 3
Электродвигатель: АИР160S6
Мощность: 11 кВт
Частота вращения: 1000 об/мин
Производительность: 9500 м³/ч
Полное давление: 1225 Па
Температура рабочей среды: 200 °C
Климатическое исполнение: Умеренный климат (У)
Категория размещения: 1
Категория размещения: 2
Категория размещения: 3
Категория размещения: 4
Масса без двигателя: 380 кг
Масса с двигателем: 505 кг
Схемы

Города поставок

Москва
Пн-Пт 09:00 - 18:00
Сб 09:00 - 17:00
Карачаево-Черкесская Республика
Пн-Пт 09:00 - 18:00
Сб 09:00 - 17:00
Екатеринбург
Пн-Пт 09:00 - 18:00
Сб 09:00 - 17:00

Совершите покупку за 4 шага

Шаг 1
Выберите товары из каталога
Шаг 2
Поместите нужные вам товары в корзины
Шаг 3
Укажите свои контактные данные в форме обратной связи
Шаг 5
Ожидайте звонка от менеджера для оформления покупки

Похожие товары

Дымососы ДН
Дымососы ДН
Цена от 0 руб.
Дымососы Д
Дымососы Д
Цена от 0 руб.
Дымососы для котлов
Вы смотрели эти товары
Дымососы для котлов
Вентиляторы промышленные
Вентиляторы дутьевого типа ВД-2,8-7,5/3000 предназначены для использования в котельной. Устройства имеют корпус специальной спиральной формы, который позволяет получить высокую производительность во время работы. Благодаря данным вентиляторам можно обустроить эффективную и регулируемую подачу воздуха в топки разных котлов.